Service
一.背景與問題分析
隨著技術發展,無刷電機自 20 世紀 60 年代起嶄露頭角。磁性材料性能提升與電子技術進步,為其誕生奠定基礎。相較于傳統有刷電機,它優勢顯著,應用領域也不斷拓展,在汽車、家電、工業等多領域廣泛應用。
二.整改前
三.整改措施
由于無刷直流電機是采用半導體開關器件來實現電子換向工作,即用電子開關器件代替傳統的接觸式換向器和電刷,無刷電機具有可靠性高、無換向火花、機械噪聲低等特點:無刷直流電機是由永磁體轉子、多極繞組定子、位置傳感器等組成,位置傳感器按轉子位置的變化,沿著一定次序對定子繞組的電流進行換流(即檢測轉子磁維相對定子繞組的位置,并在確定的位置處產生位置傳感信號,經信號轉換電路處理后去控制功率開關電流,按一定的邏輯關系進行繞組電流切換),定子繞組的工作電壓由位置傳感器輸出控制的電子開關電路提供。
無刷電機電磁干擾產生的根本原因是在工作過程中產生高di/dt和高dv/dt,它們產生的瞬間電流和尖鋒電壓形成了干擾源,根據定位分析,發現由輸入DC電源線形成天線帶出干擾較大,電源線影響EMC問題又分為兩大類,共模(CM)和差橫(DM)干擾,共模干擾是指任何載流導體與參考地之間不希望有的電位差,差模干擾則指任何兩個載流導體之間不希望有的電位差,直流無刷電機控制系統內的CM和DM是由主功率電路開關管的高速開關引起。
1. 為了解決電源天線效應,在DC電源輸入口增加濾波電路。
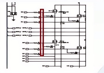
2. 在驅動MOS管的驅動引腳并吸收電容,電容預選為330pF(注意電容耐壓與對MOS功率損耗)
3.在U,V,W預留濾波電容對地,電容值預選2.2nF(注意電容耐壓值)
4.將信號線移到頂層或底層,讓這一層有個完整的信號地
五:總結與建議
1.設計階段預防:在跑步機設計初期引入EMC設計規范,優化電路布局和布線,降低整改成本。
2.測試與驗證:在產品開發過程中進行預測試,及時發現并解決輻射問題。
3.持續改進:跟蹤國內外EMC標準更新,確保產品符合最新法規要求。
